Van Tràn Thủy Lực Yuken BG-06 - Bảo Vệ Vượt Trội Cho Hệ Thống Công Suất Lớn
Van tràn thủy lực Yuken BG-06 chính hãng ✅ Kiểm soát áp suất cho hệ thống lớn ✅ Lưu lượng cao, độ bền vượt trội ✅ Giao hàng toàn quốc, bảo hành chính hãng. Nhận báo giá ưu đãi ngay!


Giới thiệu ngắn gọn:
Đối với các hệ thống thủy lực công suất lớn, việc kiểm soát áp suất một cách an toàn và hiệu quả là yếu tố then chốt quyết định đến năng suất và độ bền của toàn bộ dây chuyền. Van tràn thủy lực Yuken BG-06 được sinh ra để đảm nhận sứ mệnh đó. Là sản phẩm đến từ thương hiệu Nhật Bản hàng đầu, van tràn BG-06 mang lại giải pháp bảo vệ tối ưu, đáng tin cậy cho các ứng dụng đòi hỏi lưu lượng dầu cao.
Van tràn Yuken BG-06 - "Vệ sĩ" cho hệ thống thủy lực cỡ lớn
Van tràn BG-06 hoạt động trên nguyên lý điều chỉnh và khống chế áp suất. Khi áp suất trong hệ thống vượt quá mức cho phép đã được cài đặt, van sẽ ngay lập tức mở đường để xả dầu về thùng chứa. Cơ chế này giúp ngăn ngừa hư hỏng các thiết bị đắt tiền như bơm, xy-lanh, động cơ thủy lực, đảm bảo an toàn cho người vận hành và tiết kiệm chi phí bảo trì lâu dài.
(Ảnh minh họa: Van BG-06 trong một hệ thống thủy lực điển hình)
Tính năng & Lợi ích đặc biệt của van thủy lực Yuken BG-06:
-
Thiết kế cho lưu lượng lớn: Với kích thước cỡ 06, van được thiết kế để đáp ứng lưu lượng dầu cao (lên đến 100 L/min), là lựa chọn lý tưởng cho các máy móc hạng nặng và hệ thống công suất lớn.
-
Kiểu lắp đặt mặt bích chắc chắn: Kiểu lắp flange-type giúp van kết nối một cách vững chãi, chịu được rung động mạnh và áp lực cao, đảm bảo độ kín tuyệt đối và an toàn trong vận hành.
-
Độ chính xác và ổn định hàng đầu: Công nghệ chế tạo đỉnh cao từ Nhật Bản đảm bảo van duy trì áp suất cài đặt với độ chính xác gần như tuyệt đối, giảm thiểu thất thoát năng lượng và nâng cao hiệu suất hệ thống.
-
Độ bền vượt trội, tuổi thọ cao: Các chi tiết lõi được làm từ vật liệu hợp kim đặc biệt, qua xử lý nhiệt chống mài mòn, cho phép van hoạt động bền bỉ trong mọi điều kiện làm việc khắc nghiệt nhất.
-
Vận hành êm ái, ồn ào thấp: Thiết kế màng và buồng xả tối ưu giúp giảm thiểu tiếng ồn và hiện tượng xung áp, mang lại môi trường làm việc tốt hơn.
Thông số kỹ thuật chính:
-
Thương hiệu: Yuke (Nhật Bản)
-
Model: BG-06
-
Kiểu lắp: Straight (thẳng), flange type (mặt bích)
-
Kích cỡ đường ống: 3/4" (20mm)
-
Áp suất làm việc tối đa: 210 bar (≈ 21 MPa)
-
Lưu lượng danh định: 100 L/min
-
Phạm vi điều chỉnh áp suất: 7 - 210 bar (Tùy model cụ thể)
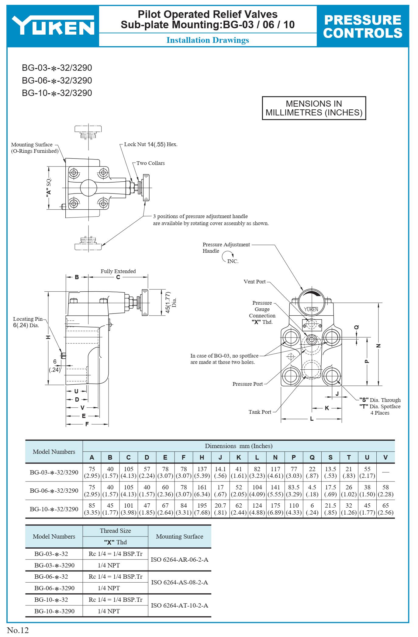
(Bảng: Thông số kỹ thuật chi tiết các model trong dòng BG-06)
| Model | Áp Suất Điều Chỉnh (bar) | Lưu Lượng (L/min) | Kết nối |
|---|---|---|---|
| BG-06-0 | 7 - 35 | 100 | PF3/4 |
| BG-06-1 | 21 - 70 | 100 | PF3/4 |
| BG-06-2 | 42 - 140 | 100 | PF3/4 |
| BG-06-3 | 70 - 210 | 100 | PF3/4 |
Ứng dụng lý tưởng:
Van tràn Yuken BG-06 là trái tim của các hệ thống đòi hỏi độ tin cậy cao:
-
Máy ép phun nhựa cỡ lớn
-
Máy dập, máy ép kim loại công suất lớn
-
Máy công cụ CNC hạng nặng
-
Hệ thống thủy lực trong xe cẩu, máy xúc, máy ủi
-
Các trạm nguồn thủy lực (Power Unit) trung tâm
Tại sao khách hàng tin tưởng chọn mua tại CÔNG TY TNHH PHỤ TÙNG CÔNG NGHIỆP GIPU
-
Chính hãng 100%: Sản phẩm nhập khẩu chính thức, đảm bảo chất lượng và nguồn gốc rõ ràng với đầy đủ chứng chỉ CO/CQ.
-
Giá thành tối ưu: Chính sách giá cạnh tranh nhất thị trường nhờ nhập khẩu trực tiếp với số lượng lớn.
-
Kho hàng luôn sẵn sàng: Luôn có sẵn số lượng lớn để đáp ứng nhu cầu gấp của khách hàng.
-
Hỗ trợ kỹ thuật 24/7: Đội ngũ kỹ sư giàu kinh nghiệm sẵn sàng tư vấn, lựa chọn model phù hợp và hỗ trợ kỹ thuật mọi lúc.
-
Dịch vụ giao hàng chuyên nghiệp: Giao hàng nhanh chóng toàn quốc, đóng gói cẩn thận.
Hệ thống lớn của bạn cần một giải pháp bảo vệ mạnh mẽ?
Đừng chần chừ! Hãy đầu tư một lần để vận hành an tâm cả năm.📞 Liên hệ ngay Hotline: 0985.352.995 để được hỗ trợ kỹ thuật và báo giá SIÊU TỐT!
CÔNG TY TNHH PHỤ TÙNG CÔNG NGHIỆP GIPU


Bạn đã thêm vào giỏ hàng 