Trong một hệ thống thủy lực, áp suất là "linh hồn" và van tràn chính là "vệ sĩ" bảo vệ cho linh hồn đó. Van tràn thủy lực Yuken BG-03 là sự lựa chọn hàng đầu của các kỹ sư và nhà máy để đảm bảo hệ thống vận hành an toàn, ổn định và hiệu quả tối đa.
Van tràn Yuken BG-03 là gì?
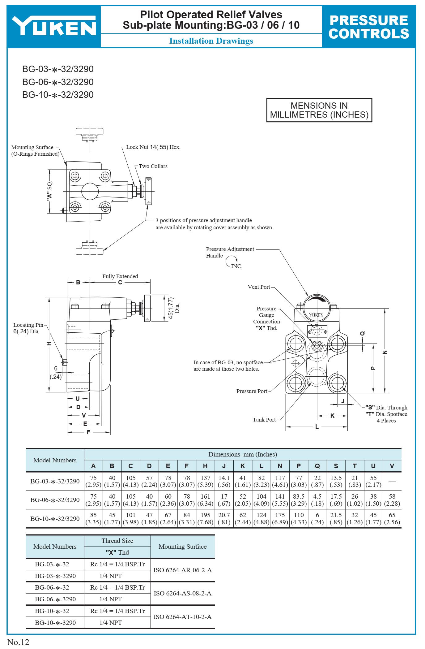
Van tràn BG-03 là thiết bị điều chỉnh và khống chế áp suất trong hệ thống thủy lực. Khi áp suất đầu vào vượt quá mức cài đặt, van sẽ mở ra để xả một phần dầu về thùng chứa, từ đó bảo vệ toàn bộ hệ thống, các van và xy-lanh khỏi tình trạng quá tải, hư hỏng, đồng thời giúp tiết kiệm năng lượng.


Tính năng & Lợi ích nổi bật của van tràn Yuken BG-03:
-
Thiết kế tối ưu, lắp đặt dễ dàng: Van có kích thước nhỏ gọn, phù hợp với đa dạng các hệ thống thủy lực từ trung bình đến lớn. Kiểu lắp đặt thẳng đứng, mặt bích giúp việc lắp đặt và bảo trì trở nên thuận tiện.
-
Độ chính xác và ổn định cao: Được sản xuất trên dây chuyền công nghệ Nhật Bản, BG-03 duy trì áp suất cài đặt một cách cực kỳ chính xác và ổn định, giảm thiểu dao động, góp phần nâng cao chất lượng và độ chính xác của máy móc.
-
Độ bền vượt trội: Các linh kiện bên trong được chế tạo từ vật liệu chất lượng cao, chống mài mòn và chịu được áp lực lớn, đảm bảo tuổi thọ hoạt động lâu dài ngay cả trong điều kiện làm việc khắc nghiệt.
-
Vận hành êm ái: Thiết kế màng van và buồng xả giúp giảm thiểu tiếng ồn và rung động khi van hoạt động, tạo môi trường làm việc thoải mái hơn.
-
Khả năng tương thích rộng: Van hoạt động hiệu quả với đa dạng các loại dầu thủy lực phổ biến trên thị trường.
Thông số kỹ thuật chính:
-
Thương hiệu: Yuken
-
Model: BG-03
-
Kiểu lắp: Straight (thẳng), flange type (mặt bích)
-
Kích cỡ đường ống: 3/8" (10mm)
-
Áp suất làm việc tối đa: 210 bar (≈ 21 MPa)
-
Lưu lượng danh định: 20 L/min
-
Phạm vi điều chỉnh áp suất: 7 - 210 bar (Tùy model cụ thể)
(Bảng: Thông số kỹ thuật chi tiết các model trong dòng BG-03)
| Model | Áp Suất Điều Chỉnh (bar) | Lưu Lượng (L/min) | Kết nối |
|---|---|---|---|
| BG-03-0 | 7 - 35 | 20 | PF1/4 |
| BG-03-1 | 21 - 70 | 20 | PF1/4 |
| BG-03-2 | 42 - 140 | 20 | PF1/4 |
| BG-03-3 | 70 - 210 | 20 | PF1/4 |
Ứng dụng rộng rãi:
Van tràn Yuken BG-03 là linh kiện không thể thiếu trong các hệ thống:
-
Máy ép, máy dập kim loại
-
Máy ép nhựa, máy đúc
-
Máy công cụ CNC, máy tiện, máy phay
-
Hệ thống nâng hạ, xe cẩu, xe tải tự đổ
-
Thiết bị xây dựng, máy xúc, máy ủi
Tại sao nên chọn van tràn Yuken BG-03 từ chúng tôi?
-
Hàng chính hãng 100%: Cam kết sản phẩm chính hãng Yuken, đầy đủ chứng từ CO/CQ.
-
Giá thành cạnh tranh: Nhập khẩu trực tiếp, không qua trung gian, mang đến mức giá tốt nhất thị trường.
-
Giao hàng toàn quốc: Hỗ trợ giao hàng nhanh chóng đến mọi tỉnh thành.
-
Tư vấn kỹ thuật miễn phí: Đội ngũ kỹ sư giàu kinh nghiệm sẵn sàng hỗ trợ lựa chọn sản phẩm phù hợp và giải đáp mọi thắc mắc.
-
Bảo hành chính hãng: Chế độ bảo hành đầy đủ, đảm bảo quyền lợi tối đa cho khách hàng.
Hệ thống của bạn đang cần một "vệ sĩ" tin cậy?
Đừng để sự cố quá tải áp suất làm gián đoạn sản xuất và gây thiệt hại lớn!📞 Gọi ngay Hotline: [0982.352.995] để được tư vấn MIỄN PHÍ!
Công Ty TNHH phụ tùng công nghiệp gipu
Địa chỉ: 459 Minh Khai, Vĩnh Tuy, Hà Nội
Website: gipu.vn
Email: gipu55555@gmail.com
#Van tràn thủy lực, #Van tràn Yuken, #Yuken BG-03, #van thủy lực, #van áp suất, #van xả tràn, #phụ tùng thủy lực chính hãng, #bảo vệ hệ thống thủy lực, #van thủy lực Nhật Bản.


Bạn đã thêm vào giỏ hàng 