Thông số kỹ thuật của lọc ZFC series :
- Bộ lọc hút khí loại trực tiếp ngăn ngừa sự cố trong thiết bị chân không do các chất gây ô nhiễm trong không khí
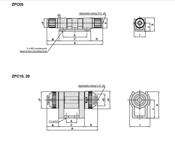
- Đường ống thẳng vào / ra, tiết kiệm không gian với đường ống thẳng hiệu quả
- Kích thước ống sử dụng ø4/6/8/10
- Phụ kiện một chạm để dễ dàng lắp đặt và gỡ bỏ
- Ống có thể được kết nối hoặc ngắt kết nối với một chạm.
- Trọng lượng nhẹ với các chi tiết nhựa đúc.
- Loại hộp mực cho phép thay thế phần tử.
- Có thể mở nắp bằng một chạm để cho phép thay thế nhanh chóng mà không cần dụng cụ trong khi vẫn kết nối với đường ống.
Lọc chân không ZFC: Giải pháp tối ưu cho hệ thống chân không công nghiệp Lọc chân không ZFC là một sản phẩm chủ lực trong ngành công nghiệp tự động hóa, cung cấp khả năng lọc hiệu quả cho các hệ thống chân không. Được thiết kế bởi SMC, ZFC mang lại hiệu suất cao trong việc ngăn chặn bụi bẩn và tạp chất, giúp bảo vệ các thiết bị quan trọng như bơm chân không và các thành phần khác khỏi hư hỏng. Lợi ích của Lọc chân không ZFC Tăng độ bền của hệ thống: Nhờ khả năng loại bỏ bụi và hạt nhỏ, ZFC giúp giảm thiểu tình trạng tắc nghẽn và bảo vệ các thành phần quan trọng trong hệ thống, từ đó kéo dài tuổi thọ thiết bị. Thiết kế nhỏ gọn và dễ lắp đặt: SMC chú trọng thiết kế ZFC với kích thước nhỏ gọn, dễ dàng lắp đặt vào các hệ thống chân không hiện có, phù hợp với nhiều môi trường làm việc khác nhau. Độ bền cao: Với chất liệu cao cấp như nhôm và hợp kim chịu lực, lọc ZFC có thể hoạt động tốt ngay cả trong điều kiện áp suất cao và môi trường khắc nghiệt. Dễ bảo trì: ZFC không yêu cầu bảo trì phức tạp, giúp doanh nghiệp tiết kiệm thời gian và chi phí trong quá trình vận hành. Ứng dụng của Lọc chân không ZFC Lọc chân không ZFC được ứng dụng rộng rãi trong các ngành công nghiệp như sản xuất tự động, robot, xử lý bề mặt, và cả trong các lĩnh vực điện tử và y tế. Với khả năng lọc hiệu quả, sản phẩm này đóng vai trò quan trọng trong việc duy trì môi trường làm việc sạch sẽ và an toàn. Lựa chọn tối ưu cho doanh nghiệp Với những ưu điểm vượt trội về hiệu suất và độ bền, Lọc chân không ZFC là lựa chọn tối ưu cho các doanh nghiệp cần giải pháp chân không ổn định và bền vững. Nếu bạn đang tìm kiếm một hệ thống lọc chân không tin cậy và hiệu quả, Lọc chân không ZFC chính là giải pháp dành cho bạn!





Bạn đã thêm vào giỏ hàng 